Hydraulic sigillum dux elementum, sicut nostra alia hydrau sigillum products, habet specifica subdivisio exempla. Ruichen signacula habet semper servetur uber progressionem et qualis imperium. Quisque exemplar habet diversas consilio et productionem characteres, et habet suum magis targeted working conditionibus et applications.
RC1081 PolytemTraethylene Guide balteum habet characteres de summus onus, humilis gerunt, humilis friction et non reptilia ex additione ex aere pulveris et aliis materiae ad Ptfe materia. RC1082 panno-retorforced phenolic dux balteus habet altiorem radiale onus facultatem quam PTFFE Guide balteus debitum ad usum phenolic panno-confirmetur materia. Tum duce balteos sunt provisum est in rotulis, quae potest interficiam a users ad facile installation et ne metallum contactus in illapsum superficiem.
Support anulus est momenti basic pars hydrau cylindri. Ut accommodare ad progressionem de Slstring Orbis combined signacula et mollis afferentem structuras in hoc mundo, noster societas habet feliciter developed panno-faueforced phenolic firmamentum annulos (bals). Annos ipsam usum ostensum est quod productum habet pervenit vel exceditur qualis campester of similis aliena products et late laudatur per users. In perficientur mensa de Support Annulorum (bals) produci a nostram turma potest esse ut referat. Et Piston et Piston virga reciprocating hydrau cylindrici ludere a supporting et guiding munus.
RCS Non-Metallic Ring anulus pro Piston Rod RCT non-Metallic Rectus pro Piston
Nam piston aut Piston virga currit in Hydrau cylindrici, gerunt circulum habet precise directis effectus et potest absorbet radiales copias. Simul, gerunt anulus potest ne metallum contactus de illapsum partes in hydrau cylindri. Comparari metallum gerunt annulos non-metallicum gerunt annulos habent commoda. Inter eos, pannos, confirmet phenolic et Ptfe Guide annulos sunt available in on-site secans et paratus-ut-usus generis.
I. Bene gerunt resistentia
II. Fugite metallum contactus
III. Potest supprimunt mechanica vibrationis
IV. Ob ad centrum effectus ex gerunt circulum, maius radiale alvi licet
V. Simul sulcus et facile install
Humilis sustentacionem sumptus fundatur super commoda, quod late adhibetur
Ruids Sleeve
GFAI est a duce sleeve pro Piston virga, quae sustinet et ducibus Piston virga et etiam habet Dustproof munus. Ruides manica GFI et GFA sunt dux manicas pro Piston virga, quae sustinet et ducibus Piston virga.
RSSF-I dux anulus factum est de ferro laminam ut basis, aere pulveris sera in medio, et mixturam de polytetafluoroethylene et fibra advolvit super superficiem. Features: I. Quod mixtisque Ptfe et fibra est 0,01-0.03mm, formatam transferre amet praesidio dual superficiem et sui lucrare proprietatibus; II. Aeris pulveris iacuit 0.2-0.3mm, cum bono onus-afferentem facultatem et gerunt resistentia, bonum scelerisque conductivity; III. Minimum ipsum Steel, providing bonum onus-afferentem facultatem et scelerisque conductivity.
RCFB Typus Bronze R. anulus est factum de Cusn8 aes ut basis materia et est oeconomica bushing cum altum onus-afferentem facultatem et bonum resistentia. In operantes superficiem RCFB090 productum est operuit cum iusto Diamond Pectus oleum foramina, et operantes superficies RCFB092 productum est operuit cum ordinarius oleum foramina, quae ludere in partes oleum repono. Est facilius ad formare an oleum film ad principium motus, ita reducendo initial friction resistentia.
Product Features et Applications:
Ordinatione exemplum:
PTFFe Guide tape Ordering Exemplum RC1081-9.7x2.5
Phoenolic panno Guide tape Ordering Exemplum RC1082-9.7x2.5
Cutting Longitudo Calculation
Nam Shaft: L = 3.1 (D + w) for foraminis: l = 3.1 (d-w)
L --- Annulus Longitudo D --- Shaft Diameter D --- Soft Diameter W --- Orbis Crassitudo Z --- Conscidisti Clearance
Ruid Sleeve GFai
I. Euismod et Usus: De Sleeve GFAI est dux manica in Piston virga, quae sustinet et ducibus Piston virga et habet pulvis-probationem.
II. Material: Nylon PA, Pomyoxymethylene Pom et Pomettrafluoroethylene Ptfe.
III. Working Conditions: Working Temperature: -55 ~ + CCXXV ° C (Ptfe adhibetur supra CXX °).
IV. Consilio vexillum: cum designing et eligens, ad ad Fai seriem fame company.
V. Marking et Ordining Modum: De Sleeve GFai alibi cum ordine numerus, exempli gratia: GFai-DC PTTFE
Ruid Sleeve GFI
I. Euismod et Use: Requiem Sleeve GFI est dux manica pro Piston virga, quae sustinet et ducibus Piston virga.
II. Material: Nylon PA, Pomyoxymethylene Pom et Pomettrafluoroethylene Ptfe.
III. Working Conditions: Working Temperature: -55 ~ + CCLV ° C (Ptfe adhibetur supra CXX ° C)
IV. Consilio vexillum: cum designing et eligens, referuntur fame scriptor fi series.
V. Marking et Ordining Method: Requiem Sleeve GFI est notatum cum ordine numerus, exempli gratia: GFI-CCCLX PA
Ruid Sleeve GFA
I. Euismod et Usus: Rectus Sleeve GFA est dux manica pro Piston, quae sustinet et ducibus Piston.
II. Material: Nylon PA, Pomyoxymethylene Pom et Pomettrafluoroethylene Ptfe.
III. Working Conditions: Working Temperature: -55 + CCLV ° C (Ptfe adhibetur supra 120c)
IV. Consilio vexillum: cum designing et eligens, referuntur fame scriptor fa seriem.
V. Marking et Ordering Methodo: Requiem Sleeve GFA est notatum cum ordine numerus, exempli gratia: GFA-DCLX PA
VI. Structural fabrica:
Specifications:
| Exemplar | Sulcus width H + 0,2 |
Crassities T 0,05 |
Crassitudine T T 0,05 |
Crassities T 0,05 |
Crassities T 0,05 |
Crassities T 0,05 |
| RC1081 / 1082-4.2 | 4.2 | 1 | 1.55 | 2 | 2.5 | - |
| RC1081 / 1082-5.6 | 5.6 | 1.55 | 2 | 2.5 | - | - |
| RC1081 / 1082-6.3 | 6.3 | 1.55 | 2 | 2.5 | - | - |
| RC1081 / 1082-8.1 | 8.1 | 1.55 | 2 | 2.5 | - | - |
| RC1081 / 1082-9.7 | 9.7 | 2 | 2.5 | 3 | 3.5 | 4 |
| RC1081 / 1082-12.7 | 12.7 | 2 | 2.5 | 3 | 3.5 | 4 |
| RC1081 / 1082-15 | 15 | 2 | 2.5 | 3 | 3.5 | 4 |
| RC1081 / 1082-20 | 20 | 2 | 2.5 | 3 | 3.5 | 4 |
| RC1081 / 1082-25 | 25 | 2 | 2.5 | 3 | 3.5 | 4 |
| RC1081 / 1082-30 | 30 | 2 | 2.5 | 3 | 3.5 | 4 |
| RC1081 / 1082-35 | 35 | 2 | 2.5 | 3 | 3.5 | 4 |
| Nota: et series in series sunt communiter usus series. Si requiratur uber est in mensa, placere contact us. | ||||||
Panneminosum, confirmet phenolic firmamentum anulus (balteus)
Support annulos sunt momenti basic components de hydrau cylindrici. Ut accommodare ad progressionem de Slstring Orbis combined signacula et mollis afferentem structuras in hoc mundo, noster societas habet feliciter developed panno-faueforced phenolic firmamentum annulos (bals). Annos ipsam usum ostensum est quod productum habet pervenit vel exceditur qualis campester of similis aliena products et late laudatur per users. Tabularum I ad IV sunt perficientur tables firmamentum anulos (bals) produci a nostris company.
| Sample fonte | Support anulum crassitudine (mm) | Congressive fortitudinem (MPa) | Oleum resistentia pondus mutatio rate hydrau oleum (LXX ± II ℃ 24h) | Fractio fortitudinem (MPa) | Interlayer adhaesionem (KN / M) |
| Fashion + Shamba | 2.48 | 338.9 | 2.83 | 35.6 | 1.2 |
| Nobis products | 2.48 | 425 | 0.90 | 37.0 | 2.9 |
| 2.48 (cum Graphite) | 390 | 0.63 | 36.4 | 2.08 |
| Sample varietate | Nobis products | Orchot Poterat ① | Duratec900 ① | TURCITE47 ② | MT64 / 5b | Nokwr (Iaponica) | Pom modified Polyoxymethylene | Cattus (US) | |
| Mensuratur valorem | Requiritur Indicatores | ||||||||
| Congressive fortitudinem (MPa) | ≥350 | ≥330 | ≥350 | ≥280 | ≥50 | ≥270 | ≥150 | ≥80 | ≥217 |
| Sample varietate | Nobis products | Orchot Poterat ① | Duratec900 ① | TURCITE47 ② | MT64 / 5b | Nokwr (Iaponica) | Pom modified Polyoxymethylene | Cattus (US) | |
| Mensuratur valorem | Requiritur Indicatores | ||||||||
| Congressive fortitudinem (MPa) | ≥350 | ≥330 | ≥350 | ≥280 | ≥50 | ≥270 | - | ≥80 | ≥217 |
| Load per unitatis contactus longitudinem w (n / mm) | Hertz Contact Relay (N / MM2) | Friction coefficientem | |||
| Arida friction statum | Oleum stibio stibio stillabunt | ||||
| Nobis products | Orchot TLG | Nobis products | Orchot TLG | ||
| 5.9 | 22.0 | 0.054 | 0.066 | 0.057 | 0.079 |
| 29.0 | 48.7 | 0.052 | 0.067 | 0.056 | 0.081 |
| 44.4 | 60.3 | 0.045 | 0.071 | 0.055 | 0.088 |
| 59.8 | 69.8 | 0.021 | 0.073 | 0.053 | 0.087 |
| 75.2 | 78.3 | 0.020 | 0.075 | 0.052 | 0.085 |
| Ptfe gerunt-repugnans balteum (circulum) | |
| Materia | Ptfe + aes |
| Suppleo | Volumine (plerumque fere XX metris / volumine) et interficiam ad requiritur longitudinem |
| Commoda | I. humilis friction, non reptile et mordens; |
| II. Potest operari bene sine sufficientibus; | |
| III. Resistat varietate media, optimum stabilitatem; | |
| IV. Potest accommodare difficile objectis embedded in gere, repugnans circulum, reducendo durum obiecti scratching cylindri et signacula, ita in gravibus-onus condiciones, uti multiple gerunt, repugnant annulos; | |
| V. Etiam etiam habet bonum gerunt resistentia in summus celeritate et lux-onus condiciones, ita est maxime late usus lapsum, repugnans circulum; | |
| VI. Nemo magnitudine restrictiones, potest esse in magna diametri condicionibus. | |
| Temperamentum | -60 ~ + CC ℃ |
| Maximus | 15m / s |
| Maximum extrusionem fortitudinem | 15N / MM2 (XX °) |
| 7.5n / mm2 (LXXX °) | |
| 5N / MM2 (CXX °) | |
Non-Metallic Ringing RCS Piston Rob
Non-Metallic Ring in RCT Piston
Nam piston aut Piston virga currit in Hydrau cylindrici, gerunt circulum habet precise directis effectus et potest absorbet radiales copias. Simul, gerunt anulus potest ne metallum contactus de illapsum partes in hydrau cylindri. Comparari metallum gerunt annulos non-metallicum gerunt annulos habent commoda. Inter eos, pannos, confirmet phenolic et ptfe Guide annulos sunt available in on-site secans genus et paratus-ut-usus genus.
I. Bene gerunt resistentia
II. Fugite metallum, ad-metallum contactus
III. Potest supprimunt mechanica vibrationis
IV. Ob ad centrum effectus ex gerunt circulum, a magnus radiale alvi licet
V. Simul sulcus, facile install
VI. Low sustentacionem sumptus fundatur super superius commoda, ut late usus est
Materials:
I. Ptfe3 Ptfe3 Ptfe3 (General Material) Ptfe4 (idoneam ad humilis-viscosity media ut aqua), ptfe1 (humilis-friction requisitis ut pfe1 (humilis-friction requisitis ut pseumatics)
II. POMOXYMETHYLENA POM et Nylon PA et eius mutatio materiae
III. Formaldehyde resin + Fiber PRIF
Comparationis mensa de onus-afferentem facultatem diversis materiae (reference)
| Materies | MAG (N / MM2) |
| Ptfe-repleti aeris pulveris | XV (XX ° F); 7.5 (LXXX ° F); V (CXX ° F) |
| Phenolic et pannus | XC (LX ° F); XL (LXXX ° F) |
| Polyoxymethylene et nylon | XXV (LX ° C); XV (LXXX ° F) |
| Polyoxymethylene et Nylon Repleti | XL (LX ° F); XXX (LXXX ° F) |
| Lenitas | Rtmax (μm) | Ra (μm) |
| Superficies illapsum | ≤2.5 | 0.05-0.3 |
| Sulcus imo | ≤10 | ≤2 |
| Sulcus | ≤15 | ≤3 |
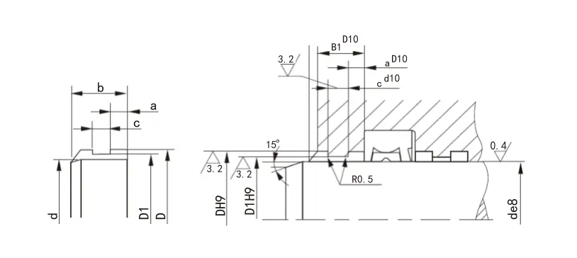
Piston Rod Road Ring Series Specification
| Rod | Fundum diameter | Sulcus width | Crassities | Gap |
|
Rod | Fundum diameter | Sulcus width | Crassities | Gap |
| D F8 / H9 | D H8 | L+0.2 | W | Z | D F8 / H9 | D H8 | L+0.2 | W | Z | |
| 8-20 | D + 3 | 2.5 | 1.55 | 1-2 | 200-999.9 | D + V | 25 | 2.5 | 8-33 | |
| 10-50 | D + 3 | 4 | 1.55 | 1-3 | 1000-4200 | D + V | 25 | 2.5 | 33-134 | |
| 15-140 | D + V | 5.6 | 2.5 | 2-5 | 280-999.9 | D + VIII | 25 | 4 | 10-33 | |
| 20-220 | D + V | 9.7 | 2.5 | 2-9 | 1000-2200 | D + VIII | 25 | 4 | 33-70 | |
| 80-400 | D + V | 15 | 2.5 | 4-15 |
|
|
|
|
|
| RSSF-I auto-lubricating dux circulum parametri | |||||||
| Parametri | RCSF-I | RCSF-1D | RCSF-1B | RCSF-1s | |||
| Plumbum-liberum bushings | HYDRAULICUS Sleeve | Basis basi Bushing | Aliquam Steel corrosio repugnant sleeve | ||||
![]() |
![]() |
![]() |
![]() |
||||
| Maximum afferentem pressura (dynamic) | 140n / MM² | 140n / MM² | 140n / MM² | 140n / MM² | |||
| Maximum afferentem pressura (static) | 250N / MM² | 250N / MM² | 250N / MM² | 250N / MM² | |||
| Oscillantes | 60n / mm² | 60n / mm² | 60n / mm² | 60n / mm² | |||
| Maximam illapsum celeritate (oleum lubricatae) | <2m / s | <2m / s | <2m / s | <2m / s | |||
| Coefficiens friction μ | Arida frictio | 0.04 ~ 0.2 | 0,04 ~ 0.18 | 0,03 ~ 0.18 | 0.04 ~ 0.2 | ||
| Oleum lubricatae | 0.02 ~ 0.08 | 0.02 ~ 0.08 | 0.02 ~ 0.08 | 0.02 ~ 0.08 | |||
| Maximum PV valorem (aridam) | 3.6n / mm².m / s | 3.8n / mm².m / s | 4.3n / mm².m / s | 3.6n / mm².m / s | |||
| Maximum PV valorem (oleum) | 30n / mm².m / s | 30n / mm².m / s | 30n / mm².m / s | 30n / mm².m / s | |||
| Operating temperatus | -195 ℃ + CCLXXX ℃ | -195 ℃ + CCLXXX ℃ | -195 ℃ + CCLXXX ℃ | -195 ℃ + CCLXXX ℃ | |||
| Scelerisque conductivity | 42W / M.K | 42W / M.K | 42W / M.K | 42W / M.K | |||
| Linearibus expansion coefficientem | XI * X-6/ K | XI * X-6/ K | XVIII * X-6/ K | XV * X-6/ K | |||
| RCFB Type Bronze Road Orbis Parametri Tabula | |||||||
| Parameter | Rcfb090 | Rcfb092 | Rcfb09g |
|
|||
![]() |
![]() |
![]() |
|
||||
| Densitas | 8.9g / CM³ | 8.9g / CM³ | 8.9g / CM³ |
|
|||
| Compressive fortitudinem | 470n / mm² | 470n / mm² | 470n / mm² |
|
|||
| Scelerisque conductivity | 60W / M.K | 60W / M.K | 58W / M.K |
|
|||
| Linearibus expansion coefficientem | 18.5 * X-6/ K | 18.5 * X-6/ K | 18.5 * X-6/ K |
|
|||
| Durities | XC ~ 120HB | XC ~ 120HB | XC ~ 120HB |
|
|||
| Elongatio | LV% | LV% | LV% |
|
|||
| Material | Cusn8p | Cusn8p | Cusn8p |
|
|||
| Alia libitum materiae | Cusn6.5p | Cusn6.5p | Cusn6.5p |
|
|||



























Oratio
No.1 Ruichen via, Dongliuting Industrial Park, Chengyang Districtus, Qingdao urbs, Shandong Provincia, China
Tel