Nos focus in diversificatur necessitates in agro piston sigillis et providere princeps-perficientur solutions operientes omnes missionibus de hydraulica et pneumatics. Nostra uber linea est divisa in unum agens et duplex agens ut core, combining materia innovation et structural Optimization ad occursum ad obsignationem provocationes ex conventional industria ad extremum operationem conditionibus,
I. Quisque ornare ipsum Sigillum Sigillis Sigillis Sigillis
Princeps pressura et anti-extrusionem: RCK102 / 102r / CIV series disposito summus pressura et firmamentum structuram confortatus est ad aptet ad magna hiatus et angustum. RCK109h / CXX / CXXII et alias compositum Signa integrate dux annulos et elastomers ad conteram per 35MPa + princeps pressura modum, praesertim idoneam ad metalla et gravibus machinery.
Dynamic adaptability: RCK108 / CXXV / CXXXVIII usus tetrafluoroethylene materiam ad consequi firmum signa ex maxime humilis celeritate ad excelsum celeritate (0.01 ~ 5m / s) et iniectio CUMATIUM Equipment.
In Extreme Tolerantia Tolerantia: RCK119 / CXXXIX instructa est cum Mander vere et Ptfe materia, quae est corrosio repugnans et sicco-gerunt, repugnant. Et wide temperatus range of -40 ℃ ~ CC ℃ Covers chemical, pharmaceutical summus temperatus reactors et cibum aseptic productio lineas.
II. Industry customized consilium:
Sustentationem et Modification: RCK116 / CCXVI Simplifies installation processus et adapts ad necessitates vetus cylindrum reparatione et celeri postea cibi filling apparatu.
Dual Medium Solation: RCK144 / CXLV habet originale duplex labrum structuram, quod potest sigillum oleum / aqua et gas / liquida mixta media simul, idoneam complexu operationem conditionibus.
Short Percussas Optimization: RCK103 / CXLIII Enhances embedding stabilitatem per O-circulum preload ne periculum de leakage in brevi-ictum hydraulicis cylindris.
III. Core technology commoda:
Material Science: De Polyurethane Lacrimae (RCK205) oleum repono consilio extendit vitae lubricatae, liberum pneumatics, et Tetrafluoroethylene (RCK108) accipit in rationem et gerunt resistentia et eget resistentia.
Structural Innovation: Back-ut-Back Guide Annulorum (RCK101), Support Orbis Anti-Twist (RCK120) et Designable onera in sigillis in vibrationis et otiosi onerat.
Nos committitur providing "sigillum-dux-gere-repugnans" Integrated solutions pro 20+ industries ut metalla machinery, iniectio et CUMATIUM et perficientur cum standardizing et customizing sumptus et amplio teloneariorum reliability sumptibus et amplio teloneariorum, redigendum sustentationem et amplio teloniatores et emendare costs et emendare, et emendare elit.
Product Features et Applications:
Piston sigillum conversus signacula apta hydraulicis cylindricos et cylindricos, vexillum hydraulicis cylindrici et ambulans hydrau machinatione. Et pelagus applications includit constructione machinatione, agriculturae machinatione, grues, et vexillum cylindricos.
Cum usus est in eget industria, quod plerumque propter ieiunium cylindricos et positioning machinery. Potest etiam esse in cibum industria, pharmaceutical industria et accumulators.
Commoda
Piston sigillum sigillum sigilla sunt embedded in sulcus stably, cum bonum dynamic et stabilis signantes perficientur, non opus ad additional rector anti, humilis perficientur, et fortis residuale reditu facultatem in dynamic conditionibus.

Rck101
Ordinem magnitudine
Φd ...... exterius diameter
Φd ...... interiorem diameter
L ...... sulcus width
|
Superficiem metam |
R tmax (μm) |
Ra (μm) |
|
Slstring superficiem matching Flexilis / Polyurethane signacula Signa Ptfe Sigillis Sigilla |
≤2.5
≤2 |
≤0.1-0.5
≤0.05-0.3 |
|
Sulcus imo Sulcus |
≤6.3 ≤15 |
≤1.6 ≤3 |
|
TP Profile Support Longitudo Ratio |
L% -95% |
|
|
Tolerantia |
|
|
Φd |
H10 |
|
Φd |
H9 |
Ordinatione exemplum
Model: RCK101
Tempus Size: 100x84x10
Material: RC-Pu-H

Sigillum Type: RCK101, RCK102, RCK103, RCK104, RCK105, RCK205, RCK106, RCK107, RCK108, RCK18, RCK127
Pelagus applicationem: idoneam Hydraulicorum et pneumatic cylindrorum
Commoda: Non est firmum, cum embedded in sulcus, habet optimum dynamic et stabilis signantes perficientur, is applicabilis ad late temperatus range, et habet fortis RELICTUM oleum reditus facultatem sub dynamic conditionibus.
Material: Polyurethane, Flexilis
|
Sigillum sulcus exempla |
Et haec sint vexillum sulcus dimensiones (pulveris sigillis aliqua magnitudine in magnitudine rhoncus potest produci) |
||||||||
|
|
|
Φd |
Φd |
L |
C / S |
Maximum extrusionem gap |
|||
|
100BAR |
250Bar |
400bar |
|||||||
|
5-24.9 |
Φd-VIII |
6 |
4 |
0.5 |
0.35 |
0.25 |
|||
|
25-49.9 |
Φd-X |
7 |
5 |
0.5 |
0.35 |
0.25 |
|||
|
50-74.9 |
Φd-XII |
8 |
6 |
0.5 |
0.35 |
0.25 |
|||
|
75-149.9 |
Φd-XVI |
10 |
8 |
0.5 |
0.35 |
0.25 |
|||
|
150-299.9 |
Φd-XX |
12 |
10 |
0.5 |
0.35 |
0.25 |
|||
|
300-500 |
Φd, XXIV |
18 |
12 |
0.5 |
0.35 |
0.25 |
|||
|
500-750 |
Φd-XXX |
20 |
15 |
0.6 |
0.40 |
0.30 |
|||
|
> DCCL |
Φd-XL |
26 |
20 |
0.7 |
0.45 |
0.35 |
|||

Rck108
Ordinem magnitudine
Φd ...... exterius diameter
Φd ...... interiorem diameter
L ...... sulcus width
|
Superficiem metam |
R tmax (μm) |
Ra (μm) |
|
Slstring superficiem matching Flexilis / Polyurethane signacula Signa Ptfe Sigillis Sigilla |
≤2.5
≤2 |
≤0.1-0.5
≤0.05-0.3 |
|
Sulcus imo Sulcus |
≤6.3 ≤15 |
≤1.6 ≤3 |
|
TP Profile Support Longitudo Ratio |
L% -95% |
|
|
Tolerantia |
|
|
Φd |
H10 |
|
Φd |
H9 |
Ordinatione exemplum
Model: RCK108
Tempus Size: 100x84.5x6.3
Material: Ptfe3 + NBR

Sigillum Type: RCK108, RCK125, RCK140, RCK238, RKK138
Main Application: Latin Hydrau cylindricos et mobile Hydraulicorum Machinery
Commoda: humilis friction, non hydrau, excelsum gerunt resistentia, bonum anti-extrusionem perficientur, bonum scelerisque conductivity, firmum embedding sulcus, wide temperatus range.
Material: Tetrafluoroethylene + Nitrile Flexor Fourle Purgber, Ultra-High Durate Polyurethane + Nitrile Flexilis
|
Sigillum sulcus exempla |
Et haec sint vexillum sulcus dimensiones (pulveris sigillis aliqua magnitudine in magnitudine rhoncus potest produci) |
||||||||
|
|
|
Φd |
Φd |
L |
C / S |
Maximum extrusionem gap |
|||
|
100BAR |
250Bar |
400bar |
|||||||
|
8-14.9 |
Φd-4.9 |
2.2 |
2.45 |
0.30 |
0.20 |
0.15 |
|||
|
15-39.9 |
Φd-7.5 |
3.2 |
3.75 |
0.40 |
0.25 |
0.15 |
|||
|
40-79.9 |
Φd-XI |
4.2 |
5.5 |
0.40 |
0.25 |
0.20 |
|||
|
80-132.9 |
Φd, 15,5 |
6.3 |
7.75 |
0.50 |
0.30 |
0.20 |
|||
|
133-329.9 |
XXI φd-XXI |
8.1 |
10.5 |
0.60 |
0.35 |
0.25 |
|||
|
330-669.9 |
Φd, 24.5 |
8.1 |
12.25 |
0.60 |
0.35 |
0.25 |
|||
|
670-1000 |
Φd-XXVIII |
9.5 |
14 |
0.70 |
0.50 |
0.30 |
|||
|
> M |
Φd, XXXVIII |
13.8 |
19 |
1.00 |
0.70 |
0.60 |
|||

Rck109n
Ordinem magnitudine
Φd ...... exterius diameter
Φd ...... interiorem diameter
Φd1 ...... interiorem diameter
L ...... sulcus width
L1 ...... sulcus width
|
Superficiem metam |
R tmax (μm) |
Ra (μm) |
|
Slstring superficiem matching Flexilis / Polyurethane signacula Signa Ptfe Sigillis Sigilla |
≤2.5
≤2 |
≤0.1-0.5
≤0.05-0.3 |
|
Sulcus imo Sulcus |
≤6.3 ≤15 |
≤1.6 ≤3 |
|
TP Profile Support Longitudo Ratio |
L% -95% |
|
|
Tolerantia |
|
|
Φd |
H10 |
|
Φd |
H9 |
Ordinatione exemplum
Model: RCK109N
Tempus Size: 100x80X95X25 / XXXVI
Material: RC-Pu-H + NBR + Pom

Sigillum Type: RCK109, RCK117
Pelagus Application: Construction Machinery, agriculturae Machinery, Granes, Latin Cylindrici
Commoda: optimum stabilis et dynamic obsignationem, non opus additional dux annulos, anti-extrusionem, anti-perturbatione structura, idoneam operantes conditionibus cum celeri pressura mutationes.
Material: Polyurethane, Flexilis, Polyurethane, Tetrafluoroethylene
|
Sigillum sulcus exempla |
Et haec sint vexillum sulcus dimensiones (pulveris sigillis aliqua magnitudine in magnitudine rhoncus potest produci) |
||||||
|
|
|
Φd |
Φd |
FD1 |
L |
L1 |
|
|
20-44.9 |
Φd-X |
Φd-III |
12.5 |
20.5 |
|||
|
50-79.9 |
Φd-XV |
Φd-IV |
20 |
28 |
|||
|
80-144.9 |
Φd-XX |
Φd-V |
25 |
36 |
|||
|
150-399.9 |
Φd-XXV |
Φd-VI |
32 |
46 |
|||
|
400-750 |
Φd-XXX |
Φd-VIII |
36 |
50 |
|||
|
> DCCL |
Φd-XL |
Φd-VIII |
40 |
54 |
|||

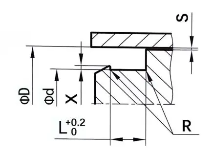
Rck119
Ordinem magnitudine
Φd ...... exterius diameter
Φd ...... interiorem diameter
L ...... sulcus width
|
Superficiem metam |
R tmax (μm) |
Ra (μm) |
|
Slstring superficiem matching Flexilis / Polyurethane signacula Signa Ptfe Sigillis Sigilla |
≤2.5
≤2 |
≤0.1-0.5
≤0.05-0.3 |
|
Sulcus imo Sulcus |
≤6.3 ≤15 |
≤1.6 ≤3 |
|
TP Profile Support Longitudo Ratio |
L% -95% |
|
|
Tolerantia |
|
|
Φd |
H10 |
|
Φd |
H9 |
Ordinatione exemplum
Model: RCK119
Tempus Size: 100x90.6x7.1
Material: Ptfe4 + V

Sigillum Type: RCK119
Pelagus applicationem: eget industria, ieiunium cylindricos et positioning machinery, cibum industria, pharmaceutical industria, accumulators.
Commoda: repugnant ad altum temperaturis et variis eget media, humilis frictio coefficiens, nec serpat, bonum aridam friction characteres, humilis static et dynamic friction values.
Material: Ptfe + folium vere
|
Sigillum sulcus exempla |
Et haec sint vexillum sulcus dimensiones (pulveris sigillis aliqua magnitudine in magnitudine rhoncus potest produci) |
|||||||||
|
|
|
Φd |
Φd |
L |
R |
X |
Maximum extrusionem gap s |
|||
|
100BAR |
250Bar |
400bar |
||||||||
|
14-24.9 |
D-4.5 |
3.6 |
0.4 |
0.6 |
0.15 |
0.10 |
0.07 |
|||
|
25-45.9 |
D 6,2 |
4.8 |
0.6 |
0.7 |
0.20 |
0.15 |
0.08 |
|||
|
46-124.9 |
D 9,4 |
7.1 |
0.8 |
0.8 |
0.25 |
0.25 |
0.10 |
|||
|
125-1000 |
D-12.2 |
9.5 |
0.8 |
0.9 |
0.30 |
0.30 |
0.12 |
|||
|
> M |
D-19.0 |
15 |
0.8 |
0.9 |
0.50 |
0.50 |
0.20 |
|||























































































Oratio
No.1 Ruichen via, Dongliuting Industrial Park, Chengyang Districtus, Qingdao urbs, Shandong Provincia, China
Tel