Nos providere a plenus range of conversus static signacula solutions, covering Latin General-proposito et summus pressura specialis products. RCFL106 / CII et RKK126 sunt basic exempla cum simplex structuram et late application; RCS130 / CXXXI et RCFL108 capere extrusionem exterius diameter installation consilio ut stabilitas sulcus embedding; RCK120 / CXXVII et alia similes seriem products consequi eadem reliability per extrusionem interiorem diametri installation.
In responsione ad Lacrum signatio necessitatibus, RCF110 et RCR118 potest ferre pressura in utroque directiones et pressura directionem debet indicavit cum ordinatione. Productum linea plene opercula humilis-pressura ad altus-pressura operantes conditionibus, et materia est gerunt, repugnans et corrosio repugnant, et late in hydraulicis systems, Pipeline hospites et industriae apparatu signantes.
Product Features et Applications:
Applicatio: Generalis proposito, id Sigillum, Od sigillum, sigillum axial
O-circulum cubits et striatus
Ordinem magnitudine
Φd1 ...... interiorem diameter
Φd2 ...... section diameter
Ordinatione exemplum
Model: RCFL106
Diametrum interior pars diametro, 14x1.8
Material: NBR
Applicatio
Pressura ab intus, o-anulum est ex extra diameter
Pressura ex foris, o-anulum est compressa ab intus diameter
O-annulos habent precise vestibulum tolerances. Et licita tolerances fuisse standardized secundum Din3771 et ISO3601 / I (Cross-sectione diameter usque ad 7mm, interiorem diameter usque ad 670mm). Et correspondentes tolerances sunt in sequentibus mensa.
| SECTIO | ||||||||
| Sectio | 1.80 | 2.65 | 3.55 | 5.30 | 7.00 | 8.4 | 10.00 | 12.00 |
| Tolerantia | ± 0.08 | ± 0.09 | ± 0.10 | ± 0.13 | ± 0.15 | ± 0.18 | ± 0.21 | ± 0.25 |
| Interiorem diameter tolerantia | ||||||||||
| PRAECISE | 1.80 ~ 6.30 | 6.70 ~ 11.20 | 11,8 ~ 21.2 | 22.4 ~ 40.0 | 41.2 ~ 80.0 | 82.5 ~ CLX | CLXV ~ CCC | CCC ~ DCL | DCLXX ~ CMX | CMX ~ MCLXXX |
| Tolerantia | ± 0.13 | ± 0.16 | ± 0.19 | ± 0.95 | ± 0.86 | ± 0.78 | ± 0.74 | ± 0.67 | ± 0.60 | ± 0.65 |
| Respondentem interiorem diameter recipis% | ||||||||||
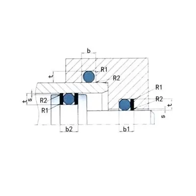
Sulcus magnitudine
![]() |
||||||||||
| Sectio D2 | Sulcus profundum T | Tempus Width Unit: mm (+0.20) | Radius R1 mm | |||||||
| mm | Stabilis | Dynamic (hydraulic) | Dynamic (Pneumaticae) | b Nec retinendi anulum | B1 I retinendi anulum | B2 II retinendi annulos | ||||
| 1.00 | 0.65 | ± 0.05 | 0.75 | ± 0.02 | 0.80 | ± 0.02 | 1.4 | 2.4 | 3.4 | 0.2-0.4 |
| 1.50 | 1.05 | 1.20 | 1.25 | 2.0 | 3.0 | 4.0 | 0.2-0.4 | |||
| 1.80 | 1.30 | 1.45 | 1.55 | 2.4 | 3.4 | 4.4 | 0.2-0.4 | |||
| 2.00 | 1.50 | 1.65 | 1.75 | 2.7 | 3.7 | 4.7 | 0.2-0.4 | |||
| 2.50 | 1.95 | 2.10 | 2.20 | 3.4 | 4.9 | 6.4 | 0.2-0.4 | |||
| 2.65 | 2.05 | 2.25 | 2.35 | 3.6 | 5.1 | 6.6 | 0.2-0.4 | |||
| 3.00 | 2.40 | 2.55 | 2.70 | 4.2 | 5.7 | 7.2 | 0.2-0.4 | |||
| 3.50 | 2.80 | ± 0.07 | 3.05 | ± 0.05 | 3.20 | ± 0.05 | 4.8 | 5.3 | 7.8 | 0.3-0.6 |
| 3.55 | 2.85 | 3.10 | 3.25 | 4.8 | 6.3 | 7.8 | 0.3-0.6 | |||
| 4.00 | 3.25 | 3.50 | 3.65 | 5.4 | 6.9 | 8.4 | 0.3-0.6 | |||
| 5.00 | 4.15 | ± 0.10 | 4.45 | 4.65 | 6.8 | 8.8 | 10.8 | 0.3-0.6 | ||
| 5.30 | 4.40 | 4.70 | 4.90 | 7.2 | 9.3 | 11.2 | 0.6-1.0 | |||
| 7.00 | 5.85 | 6.25 | 6.55 | 9.6 | 12.1 | 14.6 | 0.6-1.0 | |||
| 8.40 | 7.10 | 7.50 | 7.90 | 12.9 | 13.4 | 15.6 | 0.6-1.0 | |||











Oratio
No.1 Ruichen via, Dongliuting Industrial Park, Chengyang Districtus, Qingdao urbs, Shandong Provincia, China
Tel