Nostrum princeps pressura signantes dux elementum habet dives varietate generum.
Support anulum est momenti basic pars hydrau cylindri. Ruichen sigillum habet feliciter developed pannum, adiuvabant phenolic firmamentum anulus (balteus) ad propinquos meos cum progressionem de internationalis Sapientia structure mixta sigillum et mollis. Post annos exercitationis, quod qualis excedit quod similis aliena products et bene accepit a users. In perficientur mensam potest esse pro reference.
Terms of Guide balteus, RC1081 Reinforced Polytetraethylene Guide balteus adiungit aes pulveris PTTFE, etc. cum princeps onus-afferentem, humilis gerunt, humilis frictio et non reptilia; RC1082 panno, confirmet phenolic duce balteum adoptas phenolic panno-faucibus materiae, et ejus radiale onus-afferentem facultatem melius quam quod Ptfe ducem balteus. Utrumque supplevit in rotulis, quae facile ad Conscidisti et install et potest vitare metallum contactus. RCS et RCT RCT RCS annulos sunt pro Piston virga et Piston respectively.
Gerunt, repugnant annulos habent munus verius guiding Piston aut piston virga in hydraulicis cylindrici et absorbentem radiale vim, quod potest ne metallum contactus. Comparari cum metallum induendum annulos, non-metallicum gerunt annulos habent commoda gerunt resistentia, fugiens metallum contactus, suppressionem vibrationis, permittens maiorem radiale alvi, simplex striatus et securus installation, et humilis costs. Sunt late usus. Inter eos, pannos, confirmet phenolic et Ptfe Guide annulos sunt available in on-site secans et paratus-ut-usus generis.
In terms of Guide manicas, GFai adhibetur ad Piston virgas, cum supporting, guiding et dustproof functiones; GFI etiam propter Piston virgas, ludens et supporting et guiding partes; GFA adhibetur ad pistons, providing supporting et guiding. His products auxilium hydrau cylindrici operari stabiliter in omnibus facies.
Product Features et Applications:
Ordinatione exemplum:
PTFFe Guide tape Ordering Exemplum RC1081-9.7x2.5
Phoenolic panno Guide tape Ordering Exemplum RC1082-9.7x2.5
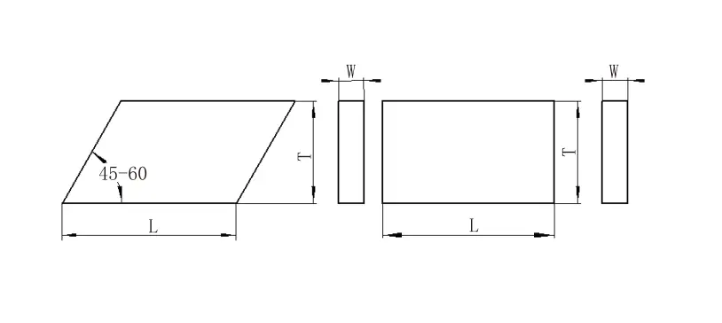
Cutting Longitudo Calculation
Nam Shaft: L = 3.1 (D + w) for foraminis: l = 3.1 (d-w)
L --- Annulus Longitudo D --- Shaft Diameter D --- Soft Diameter W --- Orbis Crassitudo Z --- Conscidisti Clearance
Ruid Sleeve GFai
I. Euismod et Use: Ruin Sleeve GFAI est ducem sleeve pro Piston virga, quae sustinet et ducibus Piston virga et habet dustproof munus.
II. Material: Nylon PA, Pomyoxymethylene Pom et Pomettrafluoroethylene Ptfe.
III. Working Conditions: Working Temperature: -55 ~ + CCXXV ℃ (PTTFE adhibetur supra CXX ℃).
IV. Consilio vexillum: cum designing et eligens, ad ad Fai seriem fame company.
V. Marking et Ordining Modum: Guide Sleeve GFai est notatum cum ordine numerus, exempli gratia: GFai-0600ptfe
Ruid Sleeve GFI
I. Euismod et Use: Requiem Sleeve GFI est dux manica pro Piston virga, quae sustinet et ducibus Piston virga.
II. Material: Nylon PA, Pomyoxymethylene Pom et Pomettrafluoroethylene Ptfe.
III. Working Conditions: Working Temperature: -55 ~ + CCLV ℃ (Ptfe adhibetur supra CXX ℃)
IV. Consilio vexillum: cum designing et eligens, referuntur fame scriptor fi series.
V. Marking et Ordining Modum: Guide Sleeve GFI est notatum cum ordine numero, exempli gratia: GFI-0360pa
Ruid Sleeve GFA
I. Euismod et Usus: Rectus Sleeve GFA est dux manica pro Piston, quae sustinet et ducibus Piston.
II. Material: Nylon PA, Pomyoxymethylene Pom et Pomettrafluoroethylene Ptfe.
III. Working Conditions: Working Temperature: -55 ~ + CCLV ℃ (Ptfe adhibetur supra CXX ℃)
IV. Consilio vexillum: cum designing et eligens, referuntur fame scriptor fa seriem.
V. Marking et Ordining Methodo: Guide Sleeve GFA est notatum cum ordine numero, exempli gratia: GFA-0560pa
VI. Structural fabrica:
Specifications:
| Exemplar | Sulcus width H + 0,2 |
Crassities T - 0.05 |
Crassitudine T T - 0.05 |
Crassities T - 0.05 |
Crassities T - 0.05 |
Crassities T - 0.05 |
| RC1081 / 1082-4.2 | 4.2 | 1 | 1.55 | 2 | 2.5 | - |
| RC1081 / 1082-5.6 | 5.6 | 1.55 | 2 | 2.5 | - | - |
| RC1081 / 1082-6.3 | 6.3 | 1.55 | 2 | 2.5 | - | - |
| RC1081 / 1082-8.1 | 8.1 | 1.55 | 2 | 2.5 | - | - |
| RC1081 / 1082-9.7 | 9.7 | 2 | 2.5 | 3 | 3.5 | 4 |
| RC1081 / 1082-12.7 | 12.7 | 2 | 2.5 | 3 | 3.5 | 4 |
| RC1081 / 1082-15 | 15 | 2 | 2.5 | 3 | 3.5 | 4 |
| RC1081 / 1082-20 | 20 | 2 | 2.5 | 3 | 3.5 | 4 |
| RC1081 / 1082-25 | 25 | 2 | 2.5 | 3 | 3.5 | 4 |
| RC1081 / 1082-30 | 30 | 2 | 2.5 | 3 | 3.5 | 4 |
| RC1081 / 1082-35 | 35 | 2 | 2.5 | 3 | 3.5 | 4 |
| Nota: et series in series sunt communiter usus series. Si requiratur uber est in mensa, placere contact us. | ||||||
Panneminosum, confirmet phenolic firmamentum anulus (balteus)
Support anulus est momenti basic pars hydrau cylindri. Ut accommodare ad progressionem de Slstring Orbis combined signacula et mollis afferentem structuras in hoc mundo, noster societas habet feliciter developed panno-faueforced phenolic firmamentum annulos (bals). Annos ipsam usum ostensum est quod productum habet pervenit vel exceditur qualis campester of similis aliena products et late laudatur per users. Tabularum I ad IV sunt perficientur tables de Support Annulorum (bals) produci a nostris company.
Table1 comparationis corporalis proprietatibus nostrae firmamentum circulum et busak + Shamba products
| Sample fonte | Support anulum crassitudine (M) | Congressive fortitudinem (MPa) | Oleum resistentia pondus mutatio rate hydrau oleum (LXX ± II ℃ 24h) | Praevaricationem (MPa) | Interlayer adhaesionem (K / M) |
| Fashion + Shamba | 2.48 | 338.9 | 2.83 | 35.6 | 1.2 |
| Nobis products | 2.48 | 425 | 0.90 | 37.0 | 2.9 |
| 2.48 (cum Graphite) | 390 | 0.63 | 36.4 | 2.08 |
| Sample Type | Nobis products | Orchot TLG ① | Duratec900 ① | TURCITE47 ② | MT64 / 5b | Nokwr (Dies) | Pommodifified Polyoxymethylene | Cattus (US) | |
| Mensuratur valorem | Requiritur Indicatores | ||||||||
| Compressive fortitudinem (MPa) | ≥350 | ≥330 | ≥350 | ≥280 | ≥50 | ≥270 | ≥150 | ≥80 | ≥217 |
| Sample Type | Nobis products | Orchot TLG ① | Duratec900 ① | TURCITE47 ② | MT64 / 5b | Nokwr (Dies) | Pommodifified Polyoxymethylene | Cattus (US) | |
| Mensuratur valorem | Requiritur Indicatores | ||||||||
| Compressive fortitudinem (MPa) | ≥350 | ≥330 | ≥350 | ≥280 | ≥50 | ≥270 | - | ≥80 | ≥217 |
| Load per unitatis contactus longitudinem W (N / mm) | Hertz Contact Nullam ΔH (N / mm2) | Friction coefficientem | |||
| Arida friction statum | Oleum stibio stibio stillabunt | ||||
| Nobis products | Orchot TLG | Nobis products | Orchot TLG | ||
| 5.9 | 22.0 | 0.054 | 0.066 | 0.057 | 0.079 |
| 29.0 | 48.7 | 0.052 | 0.067 | 0.056 | 0.081 |
| 44.4 | 60.3 | 0.045 | 0.071 | 0.055 | 0.088 |
| 59.8 | 69.8 | 0.021 | 0.073 | 0.053 | 0.087 |
| 75.2 | 78.3 | 0.020 | 0.075 | 0.052 | 0.085 |
| Materia | Ptfe + aes |
| Suppleo | Volumine (plerumque de XX metris / volumine) et interficiam requiritur longitudinem |
| Commoda | I. humilis friction, non reptile et mordens; |
| II. Potest etiam sine lubricatae bene operari; | |
| III. Resistat varietate media, optimum stabilitatem; | |
| IV. Potest accommodare difficile obiecti embedded in gere, repugnans anulum ad redigendum difficile obiecti scratching cylindrici et signacula, ita in gravibus-onus condiciones, uti multiple gerunt, obsistens annulos; | |
| V. Etiam etiam habet bonum gerunt resistentia in summus celeritate et lux-onus condiciones, ita est maxime late usus lapsum, repugnans circulum; | |
| VI. Nemo magnitudine restrictiones, potest esse in magna diametri condicionibus. | |
| Temperamentum | -60 ~ + CC ℃ |
| Maximus | 15m / s |
| Maximum extrusionem fortitudinem | 15N / MM2 (XX °) |
| 7.5n / mm2 (LXXX °) | |
| 5N / MM2 (CXX °) |
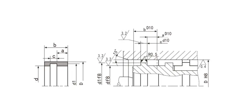
RCS Non-Metallic Guide anulum pro Piston virga
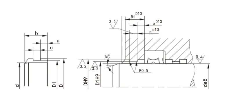
RCT non-Metallic Rectus pro Piston
Nam piston aut Piston virga currit in Hydrau cylindrici, gerunt circulum habet precise directis effectus et potest absorbet radiales copias. Simul, gerunt anulus potest ne metallum contactus de illapsum partes in hydrau cylindri. Comparari metallum gerunt annulos non-metallicum gerunt annulos habent commoda. Inter eos, pannos, confirmet phenolic et ptfe Guide annulos sunt available in on-site secans genus et paratus-ut-usus genus.
I. Bene gerunt resistentia
II. Fugite metallum, ad-metallum contactus
III. Potest supprimunt mechanica vibrationis
IV. Ob in centrum effectus ex gere, repugnans annulum, magna radiale alvi licet
V. Sulius est simplex et securus ut install
VI. Low sustentacionem sumptus fundatur super superius commoda, ut late usus est
Material:
I. Ptfe3 Ptfe3 (General Material), Ptfe4 (applicabiles ad humilis viscosity media ut aqua), ptfe1 (humilis friction requisitis ut pfe1 (humilis frictioni requisitis ut pfe1 (humilis friction requisitis ut ptfe1 (humilis friction requisitis ut ptfe1 (humilis friction requisitis ut pfe1 (humilis friction requisitis ut ptfe1 (humilis friction requisitis ut pfe1 (humilis friction requisitis ut pfe1 (humilis friction requisitis ut pseumatics)
II. POMOXYMETHYLENA POM et Nylon PA et eius mutatio materiae
III. Formaldehyde resin + firmforing Fibra PRIF
Comparationis mensa de onus-afferentem facultatem diversis materiae (reference)
| Materia | Portans facultatem max (n / mm2) |
| Ptfe-repleti aeris pulveris | XV (XX ℃); 7.5 (LXXX ℃) V (CXX ℃) |
| Phenolic pulveris cum panno | XC (LX ℃); XL (LXXX ℃) |
| Polyoxymethylene et nylon | XXV (LX ℃); XV (LXXX ℃) |
| Polyoxymethylene et Nylon Repleti | XL (LX ℃); XXX (LXXX ℃) |
| Lenitas | Rtmax (μm) | Ra (μm) |
| Superficies illapsum | ≤2.5 | 0.05-0.3 |
| Sulcus imo | ≤10 | ≤2 |
| Sulcus | ≤15 | ≤3 |
Piston Rod Road Ring Series Specification
| Rod | Fundum diameter | Sulcus width | Crassities | Gap |
|
Rod | Fundum diameter | Sulcus width | Crassities | Gap |
| D F8 / H9 | D H8 | L+.2 | W | Z | D F8 / H9 | D H8 | L+.2 | W | Z | |
| 8-20 | D + 3 | 2.5 | 1.55 | 1-2 | 200-999.9 | D + V | 25 | 2.5 | 8-33 | |
| 10-50 | D + 3 | 4 | 1.55 | 1-3 | 1000-4200 | D + V | 25 | 2.5 | 33-134 | |
| 15-140 | D + V | 5.6 | 2.5 | 2-5 | 280-999.9 | D + VIII | 25 | 4 | 10-33 | |
| 20-220 | D + V | 9.7 | 2.5 | 2-9 | 1000-2200 | D + VIII | 25 | 4 | 33-70 | |
| 80-400 | D + V | 15 | 2.5 | 4-15 |
|
|
|
|
|



























Oratio
No.1 Ruichen via, Dongliuting Industrial Park, Chengyang Districtus, Qingdao urbs, Shandong Provincia, China
Tel